FAST DELIVERY | 14 DAY RETURNS | 200,000+ PRODUCTS | AUSTRALIAN OWNED & STOCKED
FAST DELIVERY | 14 DAY RETURNS | 200,000+ PRODUCTS | AUSTRALIAN OWNED & STOCKED
Risk-Free 14 Day Returns
If you change your mind, return it to us within 14 days of the date you received it, no questions asked.
T&Cs apply
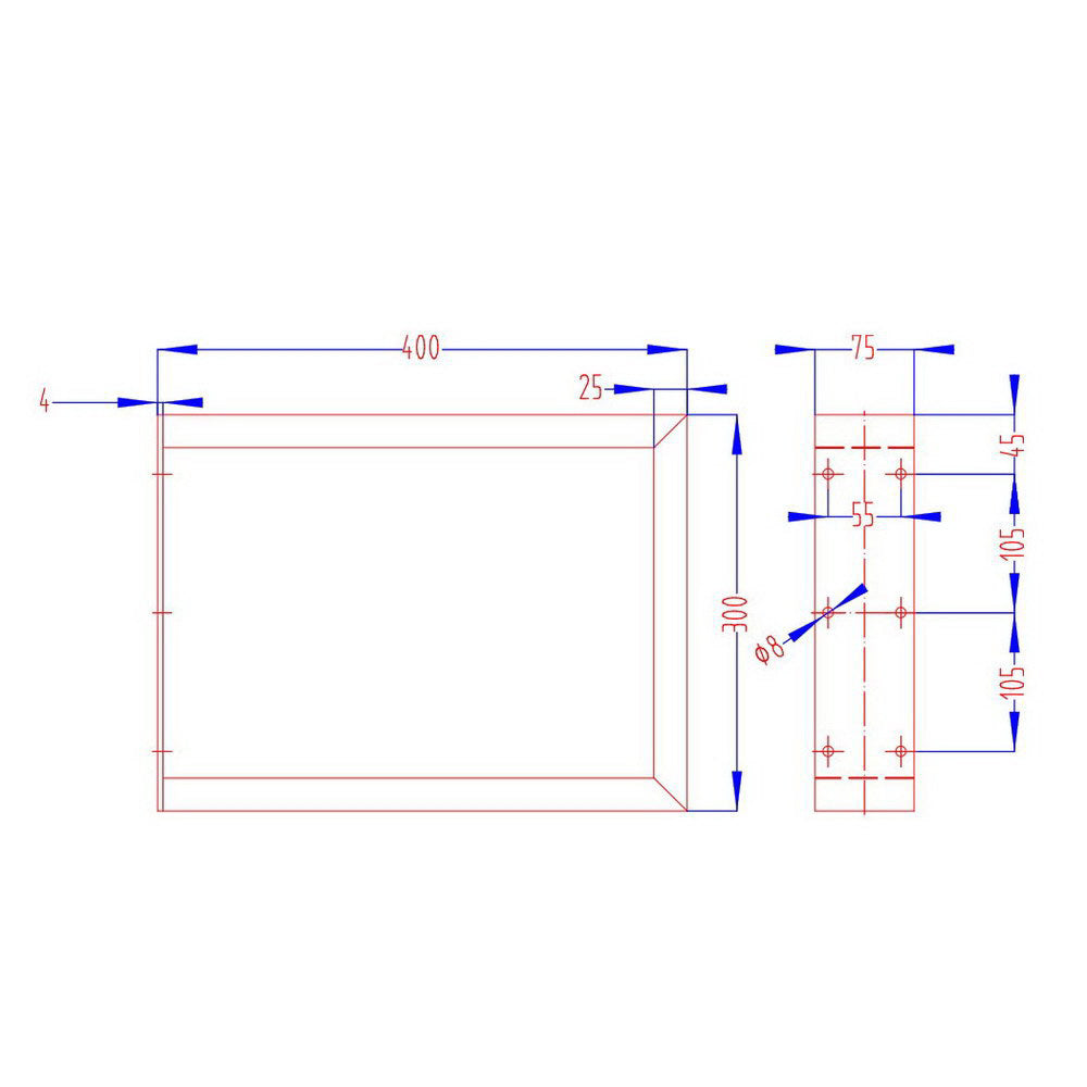
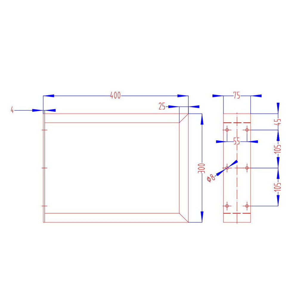
Give your existing furniture a makeover or build your own completely from scratch with our Artiss Table Leg, for a one-and-only design. The tough anti-rust powder-coated metal leg will lend some on-trend industrial cred to any ensemble. Made of premium iron with a tube thickness of 75mm, the table leg is durable and able to withstand robust use. Pre-drilled holes at the top allow you to easily attach the leg to the tabletop. A non-slip pad can be fixed to each leg for a firmer stand and to prevent scratches on your pristine floor. Attach the table leg to writing desks, coffee tables, dining tables, benches or any kind of furniture that would be enhanced with some unique support.
Features:
Industrial box shape design
75mm wide tubes
Fully welded
Pre-drilled holes
Matt black powder-coated
Rust-resistant
Bonus non-slip pads
Easy to install
Perfect for a DIY table
Restyle your bench, coffee table, desk, kitchen table, etc.
Specifications:
Material: Iron
Shape: Rectangle
Height: 40cm
Length: 30cm
Weight capacity: 200kg
Steel on top thickness: 75mm x 4mm
Tube thickness: 75mm x 25mm
Colour: Black
Package Contents:
2 x Artiss Table Leg
4 x Feet pads
Screws Not included





